▌Photovoltaic Water Pump Inverter Characteristics:
Variable Frequency Drive (VFD) to provide maximum torque with minimum sunlight.
Suitable for three-phase asynchronous motors, mainstream photovoltaic modules.
The system adopts efficient AC submersible/surface pumps to meet different requirements.
Pump can be directly connected to the drip irrigation system, fountain system.
Conversion efficiency is more than 98% , along with high reliability;
Digital control with full automatic running, data storage and complete protective function;
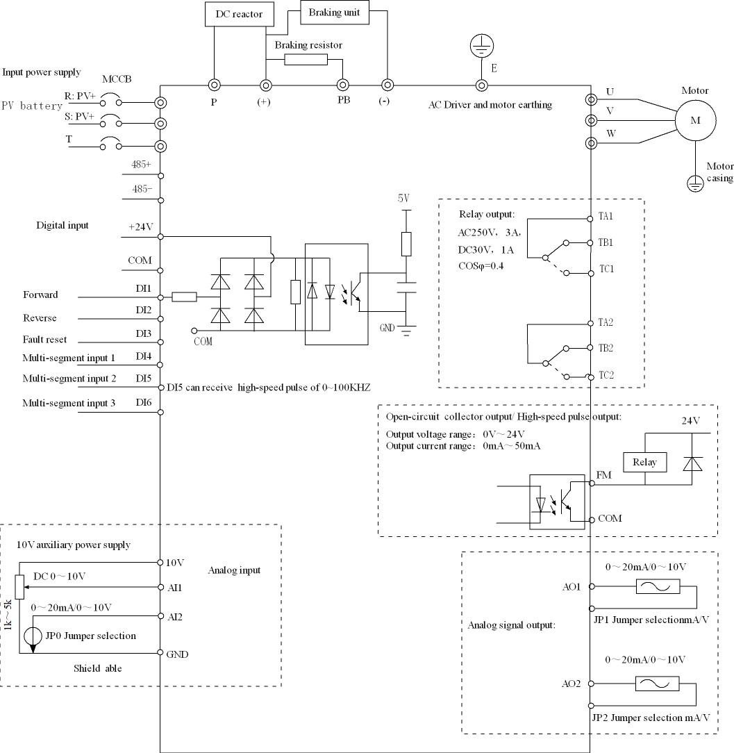
Intelligent power module (IPM) for the main circuit with high reliability;
Remote monitoring,Flexible application,smart and reliable,Can switch to mains work.
Built-in intelligent IGBT module, built-in over voltage, over load, over heat and dry-running protection.
No battery design, completely powered by solar energy, suitable for various applications, achieving cost-effectiveness, easy to maintain.
Protective measures have been taken for pump blockage, three-phase balance, etc., which have extended the service life of the pump and controller.
Built-in water pump protection function like Dry Well, Over Flow, Output Overload, Low Input Voltage, Over Input Voltage, Over Temperature, Lightning.
Adopting automatic control, such as automatic starting and closing at time schedule, automatic closing when the tank is full, and automatic closing when there is water shortage.

Comprehensive voltage level and power range
Support three phase 220V, and three phase 380V solar water pump VFD, power from 0.75 kW to 75 KW
Easy to use
Simply connect the photovoltaic panel to the VFD, no need to set any parameters, and the PV pump can be automatically started after power-on
Multiple protection measures
It has protection functions such as PV over-voltage protection, PV polarity reverse connection alarm, over-temperature automatic derating, etc., which can effectively extend the life of the product
Advanced MPPT algorithm
control method, the pump’s operation is automatically adjusted to achieve the maximum power generation of the system. Ensure solar power tracking efficiency can reach 99%



| Inverter Model | Power Capacity | Input Current | Output Current | Adaptive motor | Peripheral Dimension | Installation aperture | Facade | ||||
| KVA | A | A | KW | H | W | D | A | B | Φ | # | |
| Industry 1Ph 220V±10%;Solar DC 180V~450V; | |||||||||||
| PQ580-R40G1B | 1 | 5.4 | 2.5 | 0.4 | 162 | 105 | 150 | 95 | 150 | Φ5.0 | FIG.1 |
| PQ580-R75G1B | 1.5 | 8.2 | 3.8 | 0.75 | |||||||
| PQ580-1R5G1B | 3 | 14 | 7 | 1.5 | |||||||
| PQ580-2R2G1B | 4 | 23 | 9 | 2.2 | |||||||
| Industrial 3Ph 340-460V; Solar DC 350V~750V; | |||||||||||
| PQ580PV-R75G4 | 1.5 | 3.4/5.0 | 2.1/3.8 | 0.75/1.5 | 162 | 105 | 150 | 95 | 150 | 5Φ | FIG.1 |
| PQ580PV-1R5G4 | 3 | 5.0/5.8 | 3.8/5.1 | 1.5/2.2 | |||||||
| PQ580PV-2R2G4 | 4 | 5.8/9 | 5.1/7.0 | 2.2/3.0 | |||||||
| PQ580PV-3R0G4 | 4.5 | 9/10.5 | 7.0/9.0 | 3.0/3.7 | |||||||
| PQ580PV-3R7G4 | 5.9 | 10.5/14.6 | 9.0/13 | 3.7/5.5 | 186 | 119 | 165 | 107 | 175 | 5Φ | FIG.2 |
| PQ580PV-5R5G4 | 8.9 | 14.6/20.5 | 13/17 | 5.5/7.5 | |||||||
| PQ580PV-7R5G4 | 11 | 20.5/26 | 17/25 | 7.5/11 | 248 | 161 | 185 | 148 | 236 | 6Φ | FIG.3 |
| PQ580PV-011G4 | 17 | 26/36 | 25/32 | 11.0/15.0 | |||||||
| PQ580PV-015G4 | 21 | 35/38.5 | 32/37 | 15/18.5 | 320 | 220 | 205 | 205 | 305 | 6Φ | FIG.4 |
| PQ580PV-18R5G4 | 24 | 38.5/46.5 | 37/45 | 18.5/22 | |||||||
| PQ580PV-022G4 | 30 | 46.5/62.5 | 45/60 | 22/30 | |||||||
| PQ580PV-030G4 | 40 | 62.5/76 | 60/75 | 30/37 | 360 | 220 | 218 | 160 | 348 | 7Φ | FIG.5 |
| PQ580PV-037G4 | 57 | 76/92 | 75/91 | 37/45 | 430 | 260 | 225 | 180 | 412 | 7Φ | FIG.6 |
| PQ580PV-045G4 | 69 | 92/113 | 91/112 | 45/55 | |||||||
| PQ580PV-055G4 | 85 | 113/157 | 112/150 | 55/75 | 590 | 263 | 275 | 200 | 570 | 9Φ | FIG.7 |
| PQ580PV-075G4 | 114 | 157/180 | 150/176 | 75/90 | |||||||
Please contact our professional technical engineers, We will do our best to serve you
Scan the code to get more information