▌PQ580SF VFD Characteristics:
Excellent waterproof and dustproof performance, making it suitable for a wide range of harsh environments.
high protection level fully sealed frequency converter using an IP67 high protection level fan.
The entire inverter series features a sheet metal chassis with a spray-painted finish, providing enhanced safety, corrosion resistance, and a longer service life.
Supports PT100/PT1000 temperature analog signal inputs.
Incorporates high-quality, long-life capacitors rated at 105℃ for 10,000 hours of operation.
Utilizes waterproof fans, stainless steel fan guards, and an independent cooling duct design for efficient heat dissipation and simplified cleaning and maintenance.
Provides 0.1-second output with 200% current curve protection for increased torque output.
Features integrated PID and PLC functionality (with multi-speed control achievable via PLC or control ports using the DI1-DI6 multi-function digital inputs), simplifying the implementation of intelligent control systems and reducing time and hardware costs for users.
Offers comprehensive protection against phase loss, overvoltage, overcurrent, and both motor and drive failures.
Delivers powerful motor control performance with support for both SVC sensorless vector control and V/F control.
Provides thousands of configurable parameters for extensive functionality.
Operates within a wide voltage range of -15% to +20%, expanding its applicability.
▌Application:
Outdoor: Good dust and splash protection for applications like agricultural irrigation, fountains, and outdoor lighting.
Industrial: Reliable in dusty, non-high-pressure washdown industrial settings like light production and material handling.
Humid: Suitable for damp, splash-prone environments such as aquaculture and non-direct washdown areas in food processing.
| Item | Specifications | |
| Input Output | Voltage Range | Input: 1 Phase 220V±15%, Output: 3 Phase 200~240V, |
| Input: 1 Phase 220V±15%, Output: 3 Phase 380~440V, | ||
| Input: 3 Phase 220V±15%, Output: 3Phase 200~240V, | ||
| Input: 3 Phase 380V±15%, Output: 3Phase 380~440V, | ||
| Basic Function | Motor Type | asynchronous motor |
| Permanent magnet synchronous motor | ||
| Maximum Frequency | Vector Control:0~300Hz V/F Control:0~3000Hz | |
| Carrier Frequency | 0.5kHz~15kHz; the carrier frequency will be automatically adjusted according to the load characteristics. | |
| Input Frequency Resolution | Digital Setting: 0.1Hz | |
| Analog Setting: 0.01V corresponding maximum frequency ×0.025% | ||
| Control Mode | Open loop vector control,V/F control, torque control, PID | |
| Startup Torque | Open loop vector control:0.5Hz 180%, V/F control:0.5Hz 150% | |
| Speed adjustableRange | Open loop vector control 1:200, V/F control: 1:100 | |
| Steady-state Speed Accuracy | Open loop vector control ±0.2%, V/F control ±0.5% | |
| Torque Control Accuracy | ±5%(SVC) | |
| Overload Capability | G type: 150% rated current 60s,180% rated current 3s | |
| P type: 120% rated current 60s,150% rated current 3s | ||
| Torque Boost | Automatic Torque Boost, Manual Torque Boost 0.1%~30.0% | |
| V/F Curve | Line Type、Multi-point Type, N-power V/F curve | |
| Ramp mode | Straight-line ramp; S-curve ramp; | |
| Four groups of acceleration/deceleration time with the range of 0.0 to 3200.0s. | ||
| DC Brake | DC Brake Frequency:0.00Hz to maximum frequency. | |
| Brake time: 0.0s to 36.0s | ||
| Braking operation current value: 0.0%~100.0% | ||
| Simple PLC multi-speed operation | Realize up to 16-speed operation through built-in PLC or control terminal. | |
| Onboard PID | It realizes process-controlled closed loop control system easily. | |
| Automatic Voltage Regulator (AVR) | Automatically regulates the output voltage to maintain a constant level regardless of grid voltage fluctuations. | |
| Over-voltage/current Stall Control | The current and voltage are limited automatically during the running process so as to avoid frequent tripping due to overvoltage/over current. | |
| Fault current limiter | Protect the inverter by minimizing overcurrent conditions. | |
| Torque limiting and control | It can limit the torque automatically and prevent frequent over current tripping during the running process. | |
| Tailored options | Excellent performance | Implement motor control using advanced current vector control. |
| Fault-tolerant: | Regenerative braking during a power sag enables the inverter to sustain operation. | |
| Timing Control | Timing control function:set time range 0.0~3200.0Min | |
| Bus Support | RS-485:Modbus | |
| Running | Running Command Source | Operation panel/Control terminals/Serial communication port. You can perform switchover between these sources in various ways. |
| Frequency Source | Digital setting, analog voltage setting, analog current setting, pulse setting and serial communication port setting. | |
| Auxiliary frequency source | 10 kinds of auxiliary frequency sources. Flexible realization of auxiliary frequency fine-tuning and frequency synthesis. | |
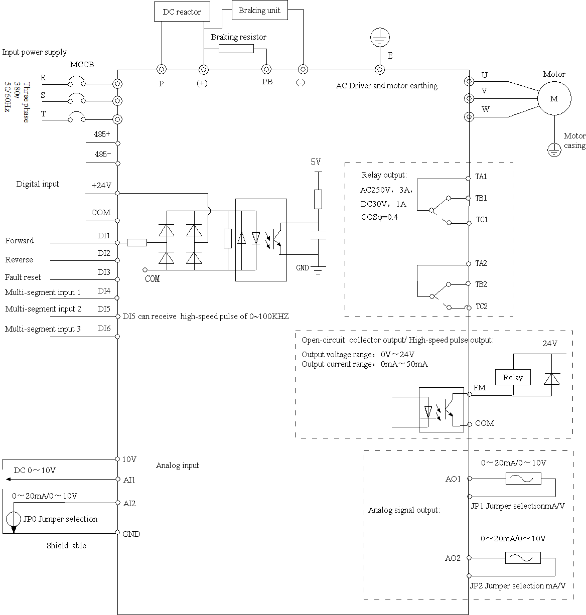
| Control Signal Input Terminal | 6 digital input terminals, one of which supports up to 20 kHz high-speed pulse input. | |
| 2 analog input terminals, one of which only supports 0-10 V voltage input and the other supports 0-10 V voltage input or 4-20 mA current input. | ||
| Control Signal Output Terminal | 1 digital output terminal; | |
| 2 relay output terminal; | ||
| 2 analog output terminal that supports 0-20 mA current output or 0-10 V voltage output; | ||
| Control panel | LED DISPLAY | Five-digit numerical readout |
| Key locking and function selection | It can lock the keys partially or completely and define the function range of some keys so as to prevent mis-function. | |
| 25 Protection Function | Motor short-circuit detection at power-on, input/output phase loss protection, over current protection, overvoltage protection, under voltage protection, overheat protection and overload protection. | |
| Environment | Installation environment | Inside, avoid direct sunlight, salt, dust, corrosive or flammable gas, smoke, steam. |
| Altitude | Below 1000 meters above sea level. (reduce the load level when used above 1000 meters above sea level) | |
| Ambient Temperature | -10 ℃ to +40 ℃ (Derating use when under ambient temperature of 40 ℃ to 50 ℃) | |
| Humidity | Less than 95%RH, without condensing | |
| Vibration | Less than 5.9m/s (0.6g) | |
| Structure | Protection level | IP20 |
| Cooling method | Forced air cooling | |
| Installation method | Wall-mounted, floor-standing electric control cabinet. | |

Please contact our professional technical engineers, We will do our best to serve you
Scan the code to get more information